|  |  |  | 
| 近赤外対応テレセントリックレンズ SWIR Compatible Telecentric lenses
 VS-TM10-55CO-SWIR
 VS Technology
 
 | 
|  | 
| 
      |  | ■光学倍率10x 
             ■顕微鏡と同等の解像力 
             ■Long WD設計により、照明系の自由度が高い 
             ■900nm - 1500nmの透過率を高めたレンズ 
             ■解像力:中心20lp/mm、周辺20lp/mm(MTF 30%時)
 |  | 
| 
        ◆VS-TM10-55CO-SWIR 価格・納期 →  お問い合わせ下さい 
        ※商社様、小売店様は別途見積り致しますのでお問合せ下さい。
      | 
| 
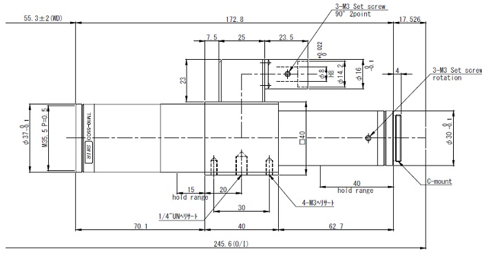
     | レンズ仕様 |  | 型番 | VS-TM10-55CO-SWIR |  | 適合カメラ | 2/3インチ以下 |  | 光学倍率 | ×10  ±5% |  | 視野範囲(H×V) | 1/2インチ | 0.8 × 0.7 mm |  | 1/2インチ | 0.6 × 0.5mm |  | 1/3インチ | 0.5 × 0.4mm |  | WD | 55.3mm  ±2 |  | 物体間距離O/I | 245.6 o |  | 実効F(絞り開放時) | 22.0 |  | NA | 0.230 |  | 被写界深度(最小錯乱円φ0.04mm) | 0.02 mm |  | TVディストーション(2/3インチ) | 0.08% |  | 周辺光量(γ=5.5) | 90% |  | 設計波長 | Short Wave IR (SWIR) |  | マウント | Cマウント |  | フランジバック | 17.526 |  | 同軸落射照明 | Built-in |  | フィルター径 | M35.5P=0.5 |  | 重量 | 370g |  | 外観寸法 | φ37(max)×172.8mm |  | 価格 | 要問合 |  | 
|  | 
|   | 
| 
    | 
              一つの光源で、多彩な波長を実現する 究極の照明ソリューション
                |  |  | 
                 ご希望の波長にカスタマイズ可能(標準品:1000nm〜1200nm)3種類の波長を各々調光可能、単波長として、合成して多波長光としてもOK
 |  | 
| 
    | 
              国内メーカー製同軸落射照明対応レンズ用の光源として使用可能
                |  |  | 
                 同軸落射照明へ直接取付可能です。(取付:φ8×12mm)白色以外の各色、紫外光、赤外光仕様にも対応致します。
 |  | 
|   | 
|  |