|  |  |  | 
| 近赤外対応フォーカスシフト補正テレセントリックレンズ Adjustable magnification combination Telecentric lenses
 VS-TCM1-65CO/S-RIR
 VS Technology
 
 | 
|  | 
| 
      |  | ■可視光〜1200nmの波長内で、フォーカスシフトを補正し、照明の波長変更だけで、表面検査と透過検査を切り替えて使用できます 
             ■光学倍率1.0x、WD65mm 
             ■600nm,1200nmの透過率を高めたレンズ 
             ■解像力:中心90lp/mm、周辺80lp/mm(MTF 30%時)
 |  | 
| 
    | 
              VS-TCM1-65CO/S-RIRなら、照明波長を変えるだけで異なる検査ができる。また、波長を変えてもピントが合ったまま撮像できる。
 
              撮影例:ウエハパターン
                |  |  | 
                 バックライト照明の波長を変えて撮像
                  
                 アライメントマークがくっきり可視化できる
                  |  |  | 
                 スポット照明の波長を変えて撮像
                  
                 表面欠陥をくっきり可視化できる
                  |  | 
| 
        ◆VS-TCM1-65CO/S-RIR  価格・納期 →  お問い合わせ下さい 
        ※商社様、小売店様は別途見積り致しますのでお問合せ下さい。
      | 
| 
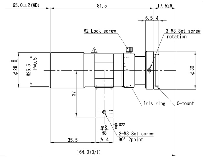
     | レンズ仕様 |  | 型番 | VS-TCM1-65CO/S-RIR |  | 適合カメラ | 2/3インチ以下 |  | 光学倍率 | ×1.0  ±5% |  | 視野範囲(H×V) | 1/2インチ | 8.4 × 7.1 mm |  | 1/2インチ | 6.4 × 4.8mm |  | 1/3インチ | 4.8 × 3.6mm |  | WD | 65.0mm  ±2 |  | 物体間距離O/I | 164.0 o |  | 実効F(絞り開放時) | 7.5 |  | NA | 0.067 |  | 被写界深度(最小錯乱円φ0.04mm) | 0.6 mm |  | TVディストーション(2/3インチ) | 0.01% |  | 周辺光量(γ=5.5) | 98% |  | 設計波長 | 600nm、1200nm |  | マウント | Cマウント |  | フランジバック | 17.526 |  | 同軸落射照明 | Built-in |  | フィルター径 | M25.5P=0.5 |  | 重量 | 約110g |  | 外観寸法 | φ30(max)×81.5mm |  | 価格 | 要問合 |  | 
|  | 
|   | 
| 
    | 
              一つの光源で、多彩な波長を実現する 究極の照明ソリューション
                |  |  | 
                 ご希望の波長にカスタマイズ可能(標準品:1000nm〜1200nm)3種類の波長を各々調光可能、単波長として、合成して多波長光としてもOK
 |  | 
| 
    | 
              国内メーカー製同軸落射照明対応レンズ用の光源として使用可能
                |  |  | 
                 同軸落射照明へ直接取付可能です。(取付:φ8×12mm)白色以外の各色、紫外光、赤外光仕様にも対応致します。
 |  | 
|   | 
|  |