光学関連情報サイト
光学製品・周辺機器
光学商品販売
インターネットショップ
https://www.hikarimart.net/products.html https://www.hikarimart.net/shop
MPZシリーズ
1型20メガピクセル対応超高解像度レンズ
Ultra-high resolution lens, suitable for 1" 20MP Sensor
V0826-MPZ / V1226-MPZ / V1624-MPZ / V2520-MPZ
V3522-MPZ / V5024-MPZ / V7531-MPZ

computar
1型20メガピクセル対応の超高解像度レンズ
( IMX183 / IMX255(267) / IMX535(545) )
超低ディストーション設計で、用途を選ばず使用可能な高汎用性レンズ
高い周辺光量により、周辺までシャープでクリアーな画像を実現
フローティング構造により、近接から遠距離まで高性能化を実現
耐振5G相当、コンパクト設計
◆ご注文・販売価格については、お問合せ下さい。
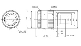
V0826-MPZ 20メガピクセル対応レンズ f=8mm 対応素子:1/1.8〜1インチ

詳細スペック・図面


V0826-MPZ
焦点距離(mm) 8
最大口径比 1:2.6
対応素子サイズ 12.8mm×9.6mm(φ16mm)
作動範囲 アイリス F2.6−F16.0
フォーカス 0.1m−Inf.
作動範囲 アイリス 手 動
フォーカス 手 動
視野範囲
(H×V)
at M.O.D.
1型 189.9mm×140.0mm
2/3型 127.8mm×94.8mm
1/1.8型 103.7mm×77.2mm
包括角度
D×H×V
1型 88.8°×76.9°×61.5°
2/3型 68.6°×57.1°×44.2°
1/1.8型 58.2°×47.8°×36.6°
レンズ有効径 前玉 φ49.4mm
後玉 φ15.1mm
ディストーション 1型 -0.8%
2/3型 -2.1%
1/1.8型 -1.9%
バックフォーカス 10.6mm
フランジバック 17.526mm
マウント Cマウント
外形寸法 Φ69.5mm×52.93mm
質量 203.1g
フィルタサイズ M82P=0.75(別売ZM0810を装着)
作動温度範囲 -10℃〜+50℃
販売価格 お問合せ下さい
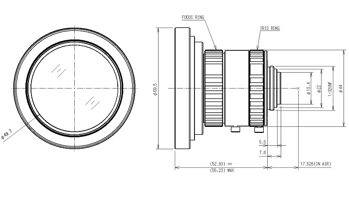
V1226-MPZ 20メガピクセル対応レンズ f=12mm 対応素子:1/1.8〜1インチ

詳細スペック・図面


V1226-MPZ
焦点距離(mm) 12
最大口径比 1:2.6
対応素子サイズ 12.8mm×9.6mm(φ16mm)
作動範囲 アイリス F2.6−F16.0
フォーカス 0.1m−Inf.
作動範囲 アイリス 手 動
フォーカス 手 動
視野範囲
(H×V)
at M.O.D.
1型 123.2mm×91.9mm
2/3型 84.1mm×62.7mm
1/1.8型 68.5mm×51.2mm
包括角度
D×H×V
1型 67.4°×56.7°×44.1°
2/3型 49.8°×40.7°×31.0°
1/1.8型 41.5°×33.7°×25.5°
レンズ有効径 前玉 φ22.6mm
後玉 φ15.1mm
ディストーション 1型 -0.0%
2/3型 -1.1%
1/1.8型 -1.0%
バックフォーカス 10.6mm
フランジバック 17.526mm
マウント Cマウント
外形寸法 Φ39mm×43.5mm
質量 98.4g
フィルタサイズ M37.5 P=0.5mm
作動温度範囲 -10℃〜+50℃
販売価格 お問合せ下さい
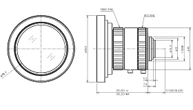
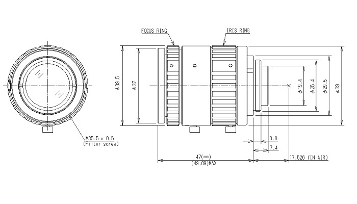
V1624-MPZ 20メガピクセル対応レンズ f=16mm 対応素子:1/1.8〜1インチ

詳細スペック・図面


V1624-MPZ
焦点距離(mm) 16
最大口径比 1:2.4
対応素子サイズ 12.8mm×9.6mm(φ16mm)
作動範囲 アイリス F2.4−F16.0
フォーカス 0.1m−Inf.
作動範囲 アイリス 手 動
フォーカス 手 動
視野範囲
(H×V)
at M.O.D.
1型 88.6mm×66.3mm
2/3型 60.7mm×45.5mm
1/1.8型 49.6mm×37.2mm
包括角度
D×H×V
1型 53.2°×43.8°×33.6°
2/3型 38.1°×30.9°×23.4°
1/1.8型 31.6°×25.5°×19.2°
レンズ有効径 前玉 φ20.9mm
後玉 φ15.9mm
ディストーション 1型 0.0%
2/3型 -0.4%
1/1.8型 -0.4%
バックフォーカス 10.7mm
フランジバック 17.526mm
マウント Cマウント
外形寸法 Φ39.5mm×47mm
質量 108.1g
フィルタサイズ M35.5 P=0.5mm
作動温度範囲 -10℃〜+50℃
販売価格 お問合せ下さい
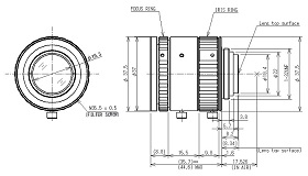
V2520-MPZ 20メガピクセル対応レンズ f=25mm 対応素子:1/1.8〜1インチ

詳細スペック・図面


V2520-MPZ
焦点距離(mm) 25
最大口径比 1:2.0
対応素子サイズ 12.8mm×9.6mm(φ16mm)
作動範囲 アイリス F2.0−F16.0
フォーカス 0.15m−Inf.
作動範囲 アイリス 手 動
フォーカス 手 動
視野範囲
(H×V)
at M.O.D.
1型 66.9mm×50.1mm
2/3型 45.9mm×34.4mm
1/1.8型 37.5mm×28.1mm
包括角度
D×H×V
1型 35.5°×28.8°×21.8°
2/3型 24.9°×20.0°×15.1°
1/1.8型 20.5°×16.4°×12.4°
レンズ有効径 前玉 φ19.2mm
後玉 φ17.1mm
ディストーション 1型 0.0%
2/3型 0.0%
1/1.8型 0.0%
バックフォーカス 9.1mm
フランジバック 17.526mm
マウント Cマウント
外形寸法 Φ37.5mm×35.7mm
質量 73.1g
フィルタサイズ M35.5 P=0.5mm
作動温度範囲 -10℃〜+50℃
販売価格 お問合せ下さい
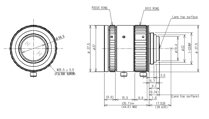
V3522-MPZ 20メガピクセル対応レンズ f=35mm 対応素子:1/1.8〜1インチ

詳細スペック・図面


V3522-MPZ
焦点距離(mm) 35
最大口径比 1:2.2
対応素子サイズ 12.8mm×9.6mm(φ16mm)
作動範囲 アイリス F2.2−F16.0
フォーカス 0.2m−Inf.
作動範囲 アイリス 手 動
フォーカス 手 動
視野範囲
(H×V)
at M.O.D.
1型 69.7mm×52.2mm
2/3型 47.9mm×35.9mm
1/1.8型 39.1mm×29.3mm
包括角度
D×H×V
1型 25.8°×20.8°×15.7°
2/3型 17.9°×14.4°×10.8°
1/1.8型 14.7°×11.8°×8.9°
レンズ有効径 前玉 φ21.5mm
後玉 φ15.6mm
ディストーション 1型 0.0%
2/3型 0.0%
1/1.8型 0.0%
バックフォーカス 9.7mm
フランジバック 17.526mm
マウント Cマウント
外形寸法 Φ39.5mm×55.7mm
質量 118.2g
フィルタサイズ M34 P=0.5mm
作動温度範囲 -10℃〜+50℃
販売価格 お問合せ下さい
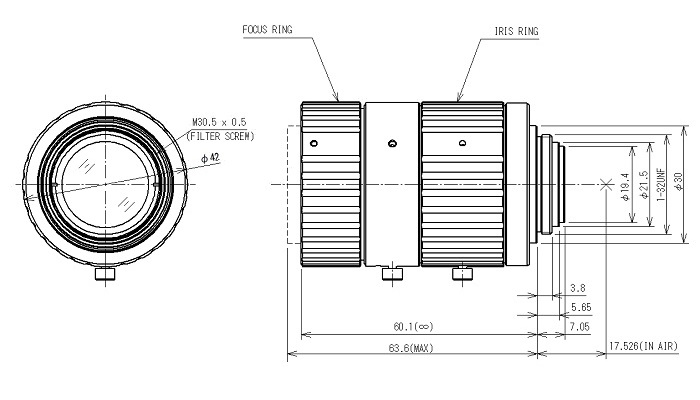
V5024-MPZ 20メガピクセル対応レンズ f=50mm 対応素子:1/1.8〜1インチ

詳細スペック・図面


V5024-MPZ
焦点距離(mm) 50
最大口径比 1:2.4
対応素子サイズ 12.8mm×9.6mm(φ16mm)
作動範囲 アイリス F2.4−F16.0
フォーカス 0.2m−Inf.
作動範囲 アイリス 手 動
フォーカス 手 動
視野範囲
(H×V)
at M.O.D.
1型 41.0mm×30.7mm
2/3型 28.1mm×21.1mm
1/1.8型 23.0mm×17.2mm
包括角度
D×H×V
1型 18.2°×14.6°×11.0°
2/3型 12.6°×10.1°×7.6°
1/1.8型 10.3°×8.3°×6.2°
レンズ有効径 前玉 φ21.8mm
後玉 φ16.4mm
ディストーション 1型 0.0%
2/3型 0.0%
1/1.8型 0.0%
バックフォーカス 11.1mm
フランジバック 17.526mm
マウント Cマウント
外形寸法 Φ42.0mm×60.1mm
質量 138.5g
フィルタサイズ M30.5 P=0.5mm
作動温度範囲 -10℃〜+50℃
販売価格 お問合せ下さい
V7531-MPZ 20メガピクセル対応レンズ f=75mm 対応素子:1/1.8〜1インチ

詳細スペック・図面


V7531-MPZ
焦点距離(mm) 75
最大口径比 1:3.1
対応素子サイズ 12.8mm×9.6mm(φ16mm)
作動範囲 アイリス F3.1−F16.0
フォーカス 0.25m−Inf.
作動範囲 アイリス 手 動
フォーカス 手 動
視野範囲
(H×V)
at M.O.D.
1型 38.9mm×29.2mm
2/3型 26.8mm×20.1mm
1/1.8型 21.9mm×16.4mm
包括角度
D×H×V
1型 12.2°×9.8°×7.3°
2/3型 8.4°×6.7°×5.0°
1/1.8型 6.9°×5.5°×4.1°
レンズ有効径 前玉 φ23.6mm
後玉 φ16.5mm
ディストーション 1型 0.0%
2/3型 0.0%
1/1.8型 0.0%
バックフォーカス 12.0mm
フランジバック 17.526mm
マウント Cマウント
外形寸法 Φ42.0mm×79.8mm
質量 176.1g
フィルタサイズ M30.5 P=0.5mm
作動温度範囲 -10℃〜+50℃
販売価格 お問合せ下さい
お問合せはこちらへ→
fujiwara@ff-net.jp
光マート  HikariMart / hikarimart.net

光学関連情報サイトOpticalGarden
インターネットショップ

光マートについて

光マートの業務

問合せ(質問・商品選定・見積依頼・相談)

E-mail  fujiwara@ff-net.jpshop@ff-net.jp
TEL.     03-6802-9429
FAX.     03-6802-9432
問合せフォーム(Windows PC)

商品一覧INDEX (型番リスト)

computar(CBC)製 レンズ一覧

SWシリーズ SWIR対応1.5メガ
M1614-SW  2/3″・f=16mm・F1.4
M2514-SW  2/3″・f=25mm・F1.4
M3514-SW  2/3″・f=35mm・F1.4
M5018-SW  2/3″・f=50mm・F1.8
ViSWIR Liteシリーズ Visible+SWIR対応1.5メガ
H0514-VSW  1/2″・f=5mm・F1.4
M0814-VSW  2/3″・f=8mm・F1.4
M1214-VSW  2/3″・f=12mm・F1.4
M1614-VSW  2/3″・f=16mm・F1.4
M2514-VSW  2/3″・f=25mm・F1.4
M3514-VSW  2/3″・f=35mm・F1.4
M5018-VSW  2/3″・f=50mm・F1.8
ViSWIR Hyper APOシリーズ Visible+SWIR対応5メガ
M0818-APVSW2  1/1.4″・f=8mm・F1.8
M1218-APVSW2  1/1.4″・f=12mm・F1.8
M1618-APVSW2  1/1.4″・f=16mm・F1.8
M2518-APVSW2  1/1.4″・f=25mm・F1.8
M3518-APVSW  1/1.4″・f=35mm・F1.8
M5018-APVSW  1/1.4″・f=50mm・F1.8
MPXシリーズ(2/3″ 16メガ)
M0828-MPX  2/3″・f=8mm
M1228-MPX  2/3″・f=12mm
M1628-MPX  2/3″・f=16mm
M2528-MPX  2/3″・f=25mm
M3528-MPX  2/3″・f=35mm
M5028-MPX  2/3″・f=50mm
M7538-MPX  2/3″・f=75mm
MPZシリーズ(1″ 20メガ)
V0826-MPZ  1″・f=8mm
V1226-MPZ  1″・f=12mm
V1624-MPZ  1″・f=16mm
V2520-MPZ  1″・f=25mm
V3522-MPZ  1″・f=35mm
V5024-MPZ  1″・f=50mm
V7531-MPZ  1″・f=75mm
MPYシリーズ(1.1″ 24メガ)
V0828-MPY2  1.1″・f=8mm
V1228-MPY2  1.1″・f=12mm
V1628-MPY2  1.1″・f=16mm
V2528-MPZY  1.1″・f=25mm
V3528-MPZY  1.1″・f=35mm
V5028-MPZY  1.1″・f=50mm
メガピクセル対応FAレンズ
H0514-MP2  1/2″・f=5mm・F1.4
M0814-MP2  2/3″・f=8mm・F1.4
M1214-MP2  2/3″・f=12mm・F1.4
M1614-MP2  2/3″・f=16mm・F1.4
M2514-MP2  2/3″・f=25mm・F1.4
M3514-MP2  2/3″・f=35mm・F1.4
M5018-MP2  2/3″・f=50mm・F1.8
LensConnect
DL-MPYシリーズ
DL0828UC-MPY  1/1.1″・f=8mm・F2.8
DL1224UC-MPY  1/1.1″・f=12mm・F2.4
DL1623UC-MPY  1/1.1″・f=16mm・F2.3
DL2523UC-MPY  1/1.1″・f=25mm・F2.3
DL3525UC-MPY  1/1.1″・f=35mm・F2.5
DL5028UC-MPY  1/1.1″・f=50mm・F2.8
VL-MPZシリーズ
VL0826U-MPZ  1″・f=8mm・F2.6
VL1226U-MPZ  1″・f=12mm・F2.6
VL1624U-MPZ  1″・f=16mm・F2.4
VL2520U-MPZ  1″・f=25mm・F2.0
VL3522U-MPZ  1″・f=35mm・F2.2
VL5024U-MPZ  1″・f=50mm・F2.4
VL7531U-MPZ  1″・f=72mm・F3.1
Varifocalシリーズ
VL6Z1626UC-MPYIR  1.1″・f=16-96mm・F2.6
EL6Z0915UCS-MPWIR  1/1.8″・f=9-50mm・F1.5
EL3Z0416UCS-MPWIR  1/1.8″・f=4.0-10mm・F1.6