光学関連情報サイト
光学製品・周辺機器
光学商品販売
インターネットショップ
https://www.hikarimart.net/products.html https://www.hikarimart.net/shop
1/2型 メガピクセル対応 62倍 プリセット 電動ズームレンズ
for 1/2 type Megapixel Cameras, Motorized Zoom
H62Z1235PDC-MPIR
computar
1/2型 Full HDセンサー対応、電動ズームレンズ
セキュリティを中心とした、幅広い用途に対応
プリセット機能(フォーカス・ズーム)
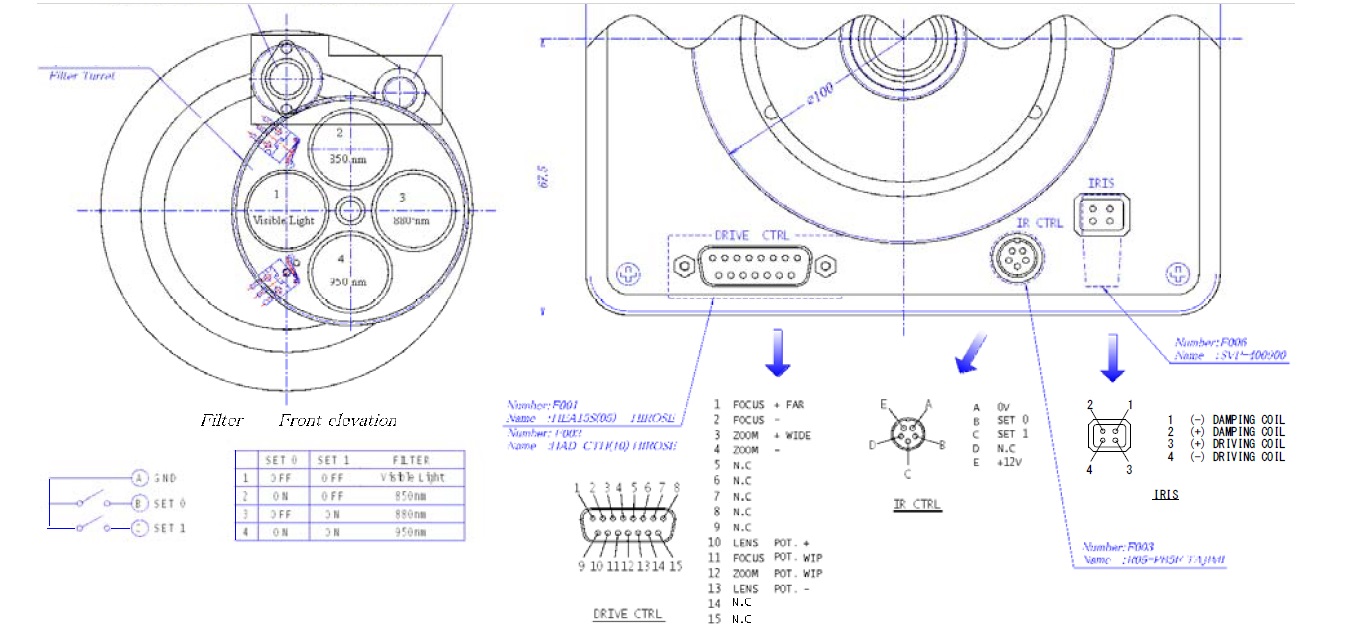
赤外透過フィルター(850nm,880nm,950nmから選択)
赤外域でもフォーカス調整機能(対応波長:850nm,880nm,950nm)
光学倍率62倍により、遠方の被写体を確実かつ鮮明に撮影可能
フルHDカメラの性能を十分に発揮でき、画像を拡大しても高画質が維持できます

Lineup

◆ H62Z1235PDC-MPIR → お問合せ下さい受注生産(数量必要)

※商社様、小売店様は別途見積り致しますのでお問合せ下さい。

レンズ仕様
型番 H62Z1235PDC-MPIR
焦点距離 12.5〜775mm(ズーム比:62倍)
最大口径比 1:3.5
絞り F3.5〜Close
包括角度
(D×H×V)
1/2型 35.47°×28.77°×21.78°〜 0.58°×0.47°×0.35°
1/3型 27.06°×21.78°×16.41°〜 0.44°×0.35°×0.26°
1/4型 20.44°×16.41°×12.34°〜 0.33°×0.26°×0.20°
最大画面寸法 φ8mm (6.4mm×4.8mm) 1/2インチ
至近距離 5.0m(前球面より)
レンズ有効径 前玉φ98.5mm,後玉φ17.5mm
バックフォーカス 42.29mm(in Air)
フランジバック 17.526mm
操作方法 ズーム モーター駆動(DC6-12V,60mA以下,約7.5秒(10V時),10kΩVR)※
フォーカス モーター駆動(DC6-12V,60mA以下,約8.5秒(10V時),10kΩVR)※
アイリス DC(駆動コイル190Ω,制動コイル1000Ω)
作動温度範囲 -10℃〜+50℃
マウント Cマウント
フィルターネジ径 M107 P=1.0
三脚座ネジ 1/4-20UNC ×2
外形サイズ W150×H135×D367.5mm
重量 5800g
価格(税別) 要問合
※モーター駆動(供給電圧,消費電圧,応答速度・作動時間,ポテンシャルメータ)
【外観図】

【回路図】

お問合せはこちらへ→
fujiwara@ff-net.jp
光マート  HikariMart / hikarimart.net

光学関連情報サイトOpticalGarden
インターネットショップ

光マートについて

光マートの業務

問合せ(質問・商品選定・見積依頼・相談)

E-mail  fujiwara@ff-net.jpshop@ff-net.jp
TEL.     03-6802-9429
FAX.     03-6802-9432
問合せフォーム(Windows PC)

商品一覧INDEX (型番リスト)


電動ズームレンズ(電動ズーム・フォーカス・アイリス)
TM22Z1022NPN  1/2′・22x(10-220mm)

computar(CBC)製 レンズ一覧

電動ズームレンズ(電動ズーム・フォーカス、DCアイリス)
E17Z8816PDC-MP  1/1.8′・3MP・17x(8.8-150mm)
E24Z1018PDC-MP  1/1.8′・3MP・24x(10-240mm)
E24Z1018PDC-MPIR  1/1.8′・3MP・24x・D&N
H35Z1015PDC-MP  1/2′・MP・35x(10-350mm)
H62Z1235PDC-MP  1/2′・MP・62x(12.5-775mm)
H62Z1235PDC-MPIR  1/2′・MP・62x・Preset
M24Z1527PDC-MP  2/3′・MP・24x(15-360mm)
M24Z2138PDC-MP  2/3′・MP・24x(21-500mm)

SPACECOM(スペース)製 レンズ一覧

バリズームレンズ
手動ズームレンズ
H6X8-1.0-II  6倍・1/2″・f=8-48mm・手動アイリス
H6X8  6倍・1/2″・f=8-48mm・手動アイリス
HZ848DC  6倍・1/2″・f=8-48mm・DCアイリス
HZ848AI  6倍・1/2″・f=8-48mm・VIDEOアイリス
S6X11-1.4-II  6倍・2/3″・f=11.5-69mm・手動アイリス
S6X11  6倍・2/3″・f=11.5-69mm・手動アイリス
JZ1169DC  6倍・2/3″・f=11.5-69mm・DCアイリス
JZ1169AI  6倍・2/3″・f=11.5-69mm・VIDEOアイリス
G6X16-1.9Macro-L6倍・1″・f=16-100mm・手動アイリス
電動ズームレンズ(VGA)
S6X11M-II  6x・2/3″・f=11.5-69mm
H10x8M-II  10x・1/2″・f=8-80mm
EZ-L10X6.5M/CS  10x・1/3″・f=6.5-65mm
EZ-L10X6.5MG/CS  10x・1/3″・f=6.5-65mm
EZ-H10X8.5M  10x・1/2″・f=8.5-85mm
EZ-H10X8.5MG  10x・1/2″・f=8.5-85mm・DC
H16x6.5M  16x・1/2″・f=6.5-104mm
S16X9.5M  16x・2/3″・f=9.5-152mm
電動ズームレンズ(メガピクセル)
HZ10350R(DC) IR-MP  35x・1/2″・f=10-350mm
HZ20700R(DC) IR-MP  35x・1/2″・f=20-700mm
HZ10250RDC-MP  25x・1/1.8″・f=10-250mm
HZ9144RDCIR-MP  16x ・1/1.8″・f=9-144mm・DC
VZ2465R(DC) IR-MP  2.7x・1″・f=24-65mm・DC
VZ2465R IR PZFI SN  2.7x・1″・f=24-65mm・DC
VZ3184R(DC) IR-MP  2.7x・1″・f=31-84mm・DC
HD1166R  6x・2/3″・f=31-84mm
HD1166RDC  6x・2/3″・f=11-66mm・DC
HZ8136R-MP2  17x・1/2″・f=8-136mm
HZ8136RDC-MP2  17x・1/2″・f=8-136mm・DC
S10X10M-MP  10x・2/3″・f=10-100mm